RUBYQUARTZ盧柏晶振CO2520-12.800-25-50-TR時鐘振蕩器應用解析
來源:http://www.dkfv.cn 作者:金洛鑫電子 2025年08月18
RUBYQUARTZ盧柏晶振CO2520-12.800-25-50-TR時鐘振蕩器應用解析
從基礎性能參數來看,CO2520-12.800-25-50-TR時鐘振蕩器具有鮮明優勢.其標稱頻率為12.800MHz,這一頻率在諸多對時鐘頻率有特定要求的電路中,能精準提供穩定的時鐘基準.在頻率穩定度方面,該振蕩器可將頻率穩定度控制在±25ppm以內,確保了在不同環境條件下,輸出的時鐘信號頻率始終保持在極為穩定的狀態,極大減少了因頻率波動而可能引發的數據傳輸錯誤或系統運行異常.工作溫度范圍覆蓋-40℃至85℃,這使其不僅能在常規的室內環境下穩定工作,在工業生產車間,戶外通信基站等面臨較大溫度變化的場景中,也能可靠運行,保障石英晶體振蕩器設備穩定運行.
在通信領域,CO2520-12.800-25-50-TR時鐘振蕩器發揮著關鍵作用.以5G基站為例,基站內部的數字信號處理模塊,射頻模塊等,都需要精準的時鐘信號來確保數據的高速,準確傳輸.該振蕩器的高精度頻率輸出,能讓基站在進行信號調制,解調以及多用戶信號的時分復用過程中,保持各環節的嚴格同步.若時鐘信號出現偏差,就可能導致不同用戶信號之間的干擾,降低通信質量,而CO2520-12.800-25-50-TR時鐘振蕩器的穩定性能,有力保障了5G通信網絡的高效,穩定運行.在光纖通信系統里,其作為光收發模塊的時鐘源,為光信號的高速編碼,解碼提供精準定時,確保長距離傳輸過程中數據的完整性和準確性,有效減少誤碼率,提升通信鏈路的可靠性.
進入工業自動化領域,CO2520-12.800-25-50-TR時鐘振蕩器的應用同樣廣泛.工業以太網作為工業自動化的關鍵通信網絡,需要精確的時鐘同步來保障各個設備之間的協同工作.該振蕩器能為工業以太網中的交換機,控制器等設備提供穩定的時鐘信號,確保數據包在網絡中的有序傳輸,實現生產線上各設備的精確動作控制.比如在汽車制造生產線中,工業機器人的手臂運動,零部件的精確裝配等環節,都依賴于高精度的時鐘信號來保證動作的準確性和協調性.CO2520-12.800-25-50-TR時鐘振蕩器為這些設備提供了穩定的時鐘基準,有效提升了工業生產的效率和產品質量.
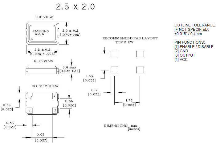
在消費電子領域,以智能手機為例,CO2520-12.800-25-50-TR時鐘振蕩器也有著重要應用.智能手機內部的處理器,無線通信模塊,顯示屏驅動芯片等,都需要統一且穩定的時鐘信號來協調工作.該振蕩器為處理器提供穩定的工作時鐘,保障了手機系統的流暢運行和快速響應.在無線通信方面,確保了Wi-Fi,藍牙等無線模塊在不同頻段下的信號穩定傳輸,提升了用戶的網絡體驗.其小型化的2.5mm×2.0mm貼片封裝,也契合了智能手機對空間的嚴格要求,在有限的內部空間內實現了高性能的時鐘功能.
<div class="auto-hide-last-sibling-br paragraph-JOTKXA paragraph-element" style="outline: none; -webkit-font-smoothing: antialiased; box-sizing: border-box; -webkit-tap-highlight-color: rgba(0, 0, 0, 0); --tw-translate-y: 0; --tw-rotate: 0; --tw-skew-x: 0; --tw-skew-y: 0; --tw-scale-x: 1; --tw-scale-y: 1; margin: 0px; padding: 0px; font-size: 13px; color: rgba(0, 0, 0, 0.95); font-family: Inter, -apple-system, BlinkMacSystemFont, " segoe="" ui",="" "sf="" pro="" sc",="" display",="" icons",="" "pingfang="" "hiragino="" sans="" gb",="" "microsoft="" yahei",="" "helvetica="" neue",="" helvetica,="" arial,="" sans-serif;="" line-height:="" 1.6="" !important;"=""> The medical equipment field also has extremely high requirements for the stability and reliability of clock oscillators. In some medical monitoring devices, such as electrocardiogram monitors and blood glucose detectors, the CO2520-12.800-25-50-TR clock oscillator provides stable clock signals for data collection, processing, and transmission. Precise clock synchronization ensures that medical equipment can accurately record patients' physiological parameters and transmit the data to the monitoring system in real time and accurately. In medical imaging equipment, such as ultrasonic diagnostic instruments, a stable clock signal is crucial for accurate image collection and processing, which can improve the imaging quality and help doctors diagnose diseases more accurately.
正在載入評論數據...
相關資訊
- [2025-09-02]探索CTS-CS-BAX-20母線安裝式電...
- [2025-08-28]Skyworks設定超低抖動時鐘緩沖器...
- [2025-08-28]Skyworks展示其在智慧城市汽車等...
- [2025-08-22]EMI控制輕松實現泰藝的SX和SY擴...
- [2025-08-22]泰藝的32.768kHz晶體支持從緊湊...
- [2025-08-21]臺灣SIWARD希華推出小型1610貼片...
- [2025-08-21]WINTRON推出低高度SMD封裝WTC-3...
- [2025-08-20]anderson安德森2520貼片晶體振蕩...



業務經理
客服經理