晶振系列
-
陶瓷霧化片 wuhuapian -
陶瓷晶振 taocijingzhen -
32.768K Clock crystal -
貼片晶振 SMDcrystal -
石英晶振 Quartz Crystal -
聲表面濾波器 Quartz Crystal -
聲表面諧振器 resonator -
陶瓷濾波器 taocilvboqi -
KDS晶振 KDS CRYSTAL -
精工晶振 SEIKO CRYSTAL -
村田晶振 muRata CRYSTAL -
西鐵城晶振 CITIZEN CRYSTAL -
愛普生晶振 EPSON CRYSTAL -
微孔霧化片 微孔霧化片 -
臺灣加高晶體 H.ELE -
進口京瓷晶體 KYOCERA -
日本NDK晶體 進口NDK晶體 -
日本大河晶體 RIVER -
美國CTS晶體 CTS石英晶體 -
臺灣希華晶體 臺灣希華 -
臺灣鴻星晶體 HOSONIC -
臺灣TXC晶體 TXC CRYSTAL -
臺灣泰藝晶體 TAITIEN CRYSTAL -
臺灣亞陶晶體 百利通亞陶 -
臺灣NSK晶體 NSK CRYSTAL -
瑪居禮晶振 臺灣瑪居禮晶振 -
富士晶振 日本富士貼片晶振 -
SHINSUNG晶振 韓國進口SHINSUNG晶振 -
SMI晶振 日本SMI貼片晶振 -
Lihom晶振 韓國Lihom晶振 -
NAKA晶振 日本納卡株式會社晶振 -
AKER晶振 臺灣安碁貼片晶振 -
NKG晶振 NKG石英晶振 -
NJR晶振 日本NJR晶振 -
Sunny晶振 Sunny CRYSTAL -
Statek晶振 Statek貼片晶體 -
Pletronics晶振 Pletronics CRYSTAL -
Jauch晶振 Jauch Crystal -
日蝕晶振 Ecliptek Crystal -
IDT晶振 IDT進口晶振 -
格林雷晶振 Greenray恒溫晶振 -
高利奇晶振 Golledge石英晶體振蕩器 -
維管晶振 Vectron Crystal -
拉隆晶振 Raltron CRYSTAL -
瑞康晶振 Rakon石英晶體 -
康納溫菲爾德晶振 ConnorWinfield Crystal -
ECS晶振 ECS CRYSTAL -
Abracon晶振 Abracon 石英振蕩器 -
CTS晶振 西迪斯晶振 -
SiTime晶振 SiTime可編碼振蕩器 -
微晶晶振 Microcrystal Crystal -
AEK晶振 AEK CRYSTAL -
AEL晶振 AEL CRYSTAL -
Cardinal晶振 Cardinal貼片晶體 -
Crystek晶振 Crystek石英晶振 -
Fox晶振 Fox有源晶振 -
Frequency晶振 Frequency Crystal -
GEYER晶振 GEYER CRYSTAL -
KVG晶振 KVG石英晶體 -
ILSI晶振 ILSI CRYSTAL -
Euroquartz晶振 Euroquartz crystal -
MMDCOMP晶振 MMDCOMP貼片晶振 -
MtronPTI晶振 MtronPTI晶體諧振器 -
QANTEK晶振 QANTEK石英晶振 -
QuartzCom晶振 QuartzCom石英晶體 -
Quarztechnik晶振 Quarztechnik Crystal -
Suntsu晶振 Suntsu石英貼片晶振 -
Transko晶振 Transko crystal -
Wi2Wi晶振 Wi2Wi Crystal -
Rubyquartz晶振 進口Rubyquartz CRYSTAL -
ACT晶振 ACT石英晶振 -
Oscilent晶振 Oscilent CRYSTAL -
ITTI晶振 ITTI石英晶體諧振器 -
MTI-milliren晶振 MTI Crystal -
PDI晶振 PDI CRYSTAL -
IQD晶振 IQD CRYSTAL -
Microchip晶振 Microchip crystal -
Silicon晶振 Silicon Crystal -
安德森晶振 Anderson Crystal -
富通晶振 Fortiming Crystal -
CORE晶振 CORE CRYSTAL -
NIPPON晶振 NIPPON石英晶體振蕩器 -
NIC晶振 NIC Crystal -
QVS晶振 QVS CRYSTAL -
Bomar晶振 Bomar Crystal -
Bliley晶振 Bliley Crystal -
GED晶振 GED CRYSTAL -
FILTRONETICS晶振 FILTRONETICS CRYSTAL -
Standard晶振 Standard Crystal -
Q-Tech晶振 美國Q-Tech晶振 -
Wenzel晶振 Wenzel Crystal -
NEL晶振 美國NEL晶振 -
EM晶振 EM CRYSTAL -
PETERMANN晶振 PETERMANN CRYSTAL -
FCD-Tech晶振 荷蘭晶振FCD-Tech -
HEC晶振 HEC CRYSTAL -
FMI晶振 FMI CRYSTAL -
麥克羅比特晶振 Macrobizes Crystal -
AXTAL晶振 AXTAL CRYSTAL -
ARGO晶振 ARGO晶振公司是專業提供和設計波段頻率控制設備和微波無線通信零部件.我們還分銷日本,歐洲和美國的一些知名品牌零部件.我們致力于發展與計算機,IT和無線通信公司無任何界限的信息時代.我們秉承經營者的踏實,誠懇的態度,互惠互利的精神,實現共贏的目標,以誠信為本,誠信為本,公平交易為宗旨,以誠信,勤勉,誠信,精神質量第一,客戶滿意的經營理念,將以優良的產品質量,優惠的價格,優質的服務與您建立長期穩定的合作關系,共創輝煌事業. -
SKYWORKS晶振 -
Renesas瑞薩晶振 -
貼片石英晶振 SMD CRYSTAL -
貼片陶瓷晶振 SMD 陶振 -
有源晶振 Oscillator -
石英晶體振蕩器 OSC石英晶體振蕩器 -
壓控晶振 VCXO進口晶振 -
壓控溫補晶振 VC-TCXO CRYSTAL -
恒溫晶振 OCXO有源晶振 -
差分晶振 差分石英晶體振蕩器 -
數碼產品 -
醫療產品 -
汽車產品 -
移動產品 -
智能家居 -
網絡設備
- 規格型號:76508433
- 頻率:12~40MHz
- 尺寸:7.6x4.1mm
- 產品描述:伊西斯SMD石英晶體CSM-3X,ECS-286.3-20-3X-EN-TR車載晶振,ECS-184-20-3X-TR,晶體諧振器,ECS伊西斯晶振,美國進口晶振,CSM-3X是一種小型低輪廓電阻焊縫型SMD石英晶體,將CSM-7X(HC-49USXSMD)的占用空間減少50%。石...
伊西斯SMD石英晶體CSM-3X,ECS-286.3-20-3X-EN-TR車載晶振

.jpg)
伊西斯SMD石英晶體CSM-3X,ECS-286.3-20-3X-EN-TR車載晶振,ECS-184-20-3X-TR,晶體諧振器,ECS伊西斯晶振,美國進口晶振,CSM-3X是一種小型低輪廓電阻焊縫型SMD石英晶體,將CSM-7X(HC-49USX SMD)的占用空間減少50%。石英晶體諧振器,ECS-120-20-3X-TR無源晶振,ECS-147.4-20-3X-TR石英晶振,兩腳貼片晶振,ECS-120-20-3X-EN-TR無鉛環保晶振,頻率范圍:12MHz~40MHz,小體積,輕薄型,耐熱及耐環境特點,SMD石英晶振適用于移動通訊設備,無線網絡晶振,藍牙模塊晶振,汽車電子晶振,車載晶振,數碼電子晶振,安防設備,智能家居,物聯網等應用。

伊西斯SMD石英晶體CSM-3X,ECS-286.3-20-3X-EN-TR車載晶振,ECS-184-20-3X-TR,晶體諧振器,參數圖
|
晶振規格 |
單位 |
CSM-3X頻率范圍 |
石英晶振基本條件 |
|
標準頻率 |
f_nom |
12~40.0MHZ |
標準頻率 |
|
儲存溫度 |
T_stg |
-40°C ~ +85°C |
裸存 |
|
工作溫度 |
T_use |
-10°C ~ +70°C |
標準溫度 |
|
激勵功率 |
DL |
200μW Max. |
推薦:1μW ~ 100μW |
|
頻率公差 |
f_— l |
±50 × 10-6 (標準), |
+25°C 對于超出標準的規格說明,請聯系我們以便獲取相關的信息, |
|
頻率溫度特征 |
f_tem |
±30 × 10-6/-20°C ~ +70°C |
超出標準的規格請聯系我們.http://www.dkfv.cn |
|
負載電容 |
CL |
7pF |
不同負載電容要求,請聯系我們. |
|
串聯電阻(ESR) |
R1 |
如下表所示 |
-40°C — +85°C, DL = 100μW |
|
頻率老化 |
f_age |
±5 × 10-6 / year Max. |
+25°C,第一年 |
.jpg)
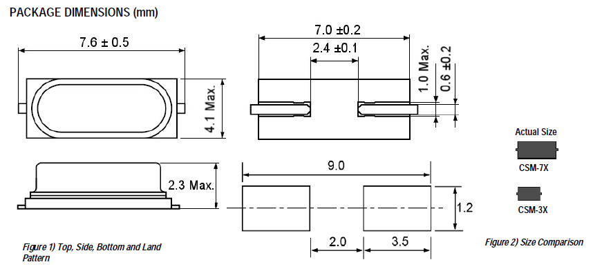
伊西斯SMD石英晶體CSM-3X,ECS-286.3-20-3X-EN-TR車載晶振,ECS-184-20-3X-TR,晶體諧振器,尺寸圖

.jpg)
伊西斯SMD石英晶體CSM-3X,ECS-286.3-20-3X-EN-TR車載晶振,ECS-184-20-3X-TR,晶體諧振器
在使用晶振時應注意以下事項:
1:抗沖擊
抗沖擊是指晶振產品可能會在某些條件下受到損壞.例如從桌上跌落,摔打,高空拋壓或在貼裝過程中受到沖擊.如果產品已受過沖擊請勿使用.因為無論何種石英晶振,其內部晶片都是石英晶振制作而成的,高空跌落摔打都會給晶振照成不良影響.
2:化學制劑 / pH值環境
請勿在PH值范圍可能導致腐蝕或溶解石英晶振或包裝材料的環境下使用或儲藏這些產品.
3:粘合劑
請勿使用可能導致石英晶振所用的封裝材料,終端,組件,玻璃材料以及氣相沉積材料等受到腐蝕的膠粘劑.(比如,氯基膠粘劑可能腐蝕一個晶振的金屬“蓋”,從而破壞密封質量,降低性能.)
4:鹵化合物
請勿在鹵素氣體環境下使用晶振.即使少量的鹵素氣體,比如在空氣中的氯氣內或封裝所用金屬部件內,都可能產生腐蝕.同時,請勿使用任何會釋放出鹵素氣體的樹脂.伊西斯SMD石英晶體CSM-3X,ECS-286.3-20-3X-EN-TR車載晶振,ECS-184-20-3X-TR,晶體諧振器
5:靜電
過高的靜電可能會損壞貼片晶振,請注意抗靜電條件.請為容器和封裝材料選擇導電材料.在處理的時候,請使用電焊槍和無高電壓泄漏的測量電路,并進行接地操作
| 原廠編碼 | 廠家 | 型號 | 頻率 | 工作溫度 | 包裝/封裝 |
| ECS-250-20-3X-TR | ECS Crystal | CSM-3X | 25MHz | -10°C ~ 70°C | 2-SMD, No Lead |
| ECS-120-20-3X-TR | ECS Crystal | CSM-3X | 12MHz | -10°C ~ 70°C | HC49/US |
| ECS-160-20-3X-TR | ECS Crystal | CSM-3X | 16MHz | -10°C ~ 70°C | HC49/US |
| ECS-143-20-3X-TR | ECS Crystal | CSM-3X | 14.31818MHz | -10°C ~ 70°C | HC49/US |
| ECS-147.4-20-3X-TR | ECS Crystal | CSM-3X | 14.7456MHz | -10°C ~ 70°C | HC49/US |
| ECS-184-20-3X-TR | ECS Crystal | CSM-3X | 18.432MHz | -10°C ~ 70°C | HC49/US |
| ECS-200-20-3X-TR | ECS Crystal | CSM-3X | 20MHz | -10°C ~ 70°C | HC49/US |
| ECS-245.7-20-3X-TR | ECS晶振 | CSM-3X | 24.576MHz | -10°C ~ 70°C | HC49/US |
| ECS-286.3-20-3X-EN-TR | ECS Crystal | CSM-3X | 28.63636MHz | -40°C ~ 85°C | HC49/US |
| ECS-300-20-3X-EN-TR | ECS Crystal | CSM-3X | 30MHz | -40°C ~ 85°C | HC49/US |
| ECS-400-20-3X-EN-TR | ECS Crystal | CSM-3X | 40MHz | -40°C ~ 85°C | HC49/US |
| ECS-160-20-3X-EN-TR | ECS Crystal | CSM-3X | 16MHz | -40°C ~ 85°C | HC49/US |
| ECS-122.8-20-3X-EN-TR | ECS Crystal | CSM-3X | 12.288MHz | -40°C ~ 85°C | HC49/US |
| ECS-147.4-20-3X-EN-TR | ECS Crystal | CSM-3X | 14.7456MHz | -40°C ~ 85°C | HC49/US |
| ECS-250-20-3X-EN-TR | ECS Crystal | CSM-3X | 25MHz | -40°C ~ 85°C | HC49/US |
| ECS-120-20-3X-EN-TR | ECS Crystal | CSM-3X | 12MHz | -40°C ~ 85°C | HC49/US |
| ECS-200-20-3X-EN-TR | ECS Crystal | CSM-3X | 20MHz | -40°C ~ 85°C | HC49/US |
| ECS-135.6-20-3X-TR | ECS Crystal | CSM-3X | 13.56MHz | -10°C ~ 70°C | HC49/US |
| ECS-196.6-20-3X-TR | ECS Crystal | CSM-3X | 19.6608MHz | -10°C ~ 70°C | HC49/US |
| ECS-184-20-3X-EN-TR | ECS Crystal | CSM-3X | 18.432MHz | -40°C ~ 85°C | HC49/US |
| ECS-286.3-20-3X-TR | ECS Crystal | CSM-3X | 28.63636MHz | -10°C ~ 70°C | HC49/US |
| ECS-270-20-3X-TR | ECS Crystal | CSM-3X | 27MHz | -10°C ~ 70°C | HC49/US |
| ECS-300-20-3X-TR | ECS Crystal | CSM-3X | 30MHz | -10°C ~ 70°C | HC49/US |
| ECS-130-20-3X-TR | ECS Crystal | CSM-3X | 13MHz | -10°C ~ 70°C | HC49/US |
| ECS-270-20-3X-EN-TR | ECS Crystal | CSM-3X | 27MHz | -40°C ~ 85°C | HC49/US |
| ECS-122.8-20-3X-TR | ECS Crystal | CSM-3X | 12.288MHz | -10°C ~ 70°C | HC49/US |
| ECS-143-20-3X-EN-TR | ECS Crystal | CSM-3X | 14.31818MHz | -40°C ~ 85°C | HC49/US |
| ECS-400-20-3X-TR | ECS Crystal | CSM-3X | 40MHz | -10°C ~ 70°C | HC49/US |
| ECS-135.6-20-3X-EN-TR | ECS Crystal | CSM-3X | 13.56MHz | -40°C ~ 85°C | HC49/US |
| ECS-200-CDX-0914 | ECS Crystal | CSM-3X | 20MHz | -60°C ~ 105°C | HC49/US |
.jpg)

深 圳 市 金 洛 電 子 有 限 公 司代理:EPSON,KDS,SEIKO,CITIZEN
電話:0755-27837162
手機:13510569637
郵箱:jinluodz@163.com
Q Q:657116624
地址:深圳市寶安41區甲岸路19號
網址:http://www.dkfv.cn/




業務經理
客服經理